Макеев Леонид Александрович
Обзор микросхемы К174ун10а

Самиздат: [Регистрация] [Найти] [Рейтинги] [Обсуждения] [Новинки] [Обзоры] [Помощь|Техвопросы]
Ссылки:
Школа кожевенного мастерства: сумки, ремни своими руками Юридические услуги. Круглосуточно
 Ваша оценка:


Обзор микросхемы К174УН10А

  
   Микросхема К174УН10 - электронный двухканальный регулятор тембра высших и низших звуковых частот. Предназначены для использования в звуковоспроизводящей и приемно-усилительной аппаратуре 1-го и 2-го классов.
  
   В этом описании и заключается большая-большая ЛОЖЬ. Я постараюсь объяснить в чём.
  
   Изменения АЧХ производится не непосредственно RC фильтрами, а подачей постоянного напряжения на управляемые напряжением усилители в микросхеме.
  

0x01 graphic

  
   Обратите внимание, как плавно меняется АЧХ при различных управляющих напряжениях. Это рекламные кривые.
   А вот, как оно на самом деле.
  

0x01 graphic

  
   Пока тембра введены полностью (верхние графики НЧ и ВЧ), всё просто замечательно. Но когда тембра введены только на половину (на частотах 100 Гц и 10 кГц), самые низкие и самые высокие частоты просто отсутствуют, нет их, вырезаны. Вместо подъёма ВЧ-НЧ наблюдается горизонтальная "полка" и даже завал. Этот "полочный эффект" наблюдается всегда, на всём протяжении регулировки тембров НЧ-ВЧ от нуля до максимума.
   Таким образом, ложь заключается в том, что микросхема К174УН10 - это регулировка СРЕДНИХ частот выше и ниже 1 кГц.
   На 1-й класс такое убожество не тянет, да и на 2-й тоже.
   Видимо разработчик микросхемы совершенно не понимал, что он творит и для чего это нужно.
  
   Что касается электронных характеристик.
   Максимальное выходное напряжение микросхемы указано - 2в. Всё, что выше - режется, ограничивается.
   Стандартное линейное напряжение звуковоспроизводящей аппаратуры 500мв.
   При подаче 500мв на вход УН10 даёт на выходе те же 500мв. И всё хорошо. Но при введённых тембрах выход увеличивается на 16дб, то есть в 6-7 раз и составит 3-3,5 вольта. На уровне 2в сигнал обрежется микросхемой до почти прямоугольников и в колонках будут отвратительные громкие хрипы.
   Для нормальной работы уровень входного сигнала должен быть 100мв, тогда даже при полностью введённых тембрах остаётся запас по перегрузке 6-8дб и это нормально.
   Беда в том, что в характеристиках ни УН10, ни импортных аналогах не указана величина входного напряжения. Вот просто нет такого параметра.
  
   Теперь про шумы и 100мв.
   Есть мнение, что УН10 сильно шумят. Это мнение происходит от того, что умельцы невнимательно читают характеристики.
   Верхняя полоса пропускания УН составляет несколько сотен килогерц. Если мерить шумы по приборам с входным уровнем 100мв, шумы будут -40дб - это шум ленты кассетника без шумодава, это очень много. Правда их не слышно, зато они будут давать интермодуляционные искажения в звуковом диапазоне. Если же мерить шумы, как написано в характеристиках, в диапазоне 20Гц - 20кГц, то они будут в точности соответствовать заявленным: 68-70дб, что вполне приемлемо для предварительного усилителя не супер класса.
  
   Заключение.
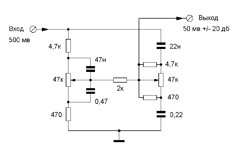
   В заключении приведу полную схему тембров на пассивных элементах, разработанную инженером Баксандалом в 1952 году. Это классическая схема, работает так, как оно должно быть. Смотри кривые АЧХ.
  

0x01 graphic

  

Те же 16-18дб, как в УН10, но звук совсем другой.

  

0x01 graphic

А вот и схема, ничего сложного и дефицитного.

   Преимущества перед активными тембрами на микросхемах.
   В этой схеме нет обратных связей, как в навороченных активных.
   Её невозможно перегрузить входным напряжением.
   Она абсолютно бесшумна.
   Она не даёт никаких искажений, поскольку в ней нет нелинейных элементов.
   Практически идеальный темброблок. Раньше во всех ламповых такой ставили.
   Если это недостатки, то:
   У схемы Баксандала относительно низкое входное сопротивление и относительно высокое выходное. Решается элементарно: схема включается между двумя мало шумными ОУ. А дальше классика: баланс, громкость, УМ. Ну, и акустика.
   Наслаждайтесь.
  
   Март, 2026г., Екатеринбург.
  
   P.S.
   Схемы собирал сам, графики снимал тоже сам.
   С импортными аналогами 174УН10 не работал, но скорее всего то же самое, тот же примитив.
  

 Ваша оценка:

Связаться с программистом сайта.

Новые книги авторов СИ, вышедшие из печати:
О.Болдырева "Крадуш. Чужие души" М.Николаев "Вторжение на Землю"

Как попасть в этoт список

Кожевенное мастерство | Сайт "Художники" | Доска об'явлений "Книги"